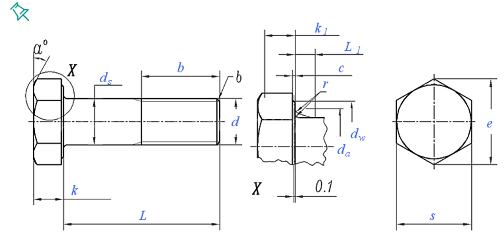
Externé šesťuholníkové skrutky a skrutky sú základné upevňovacie prvky rozpoznávané pre ich šesťstrannú hlavu, navrhnuté tak, aby dodávali vysoký prenos momentu a mechanickú stabilitu v priemyselných aplikáciách. Vyrábané z uhlíkovej ocele (stupne 8.8, 10.9 alebo 12.9) alebo vlastných zliatin sa tieto upevňovacie prvky siahajú od miniatúrnych závitov M1.6 až po vysoké priemery M64, s dĺžkami preklenujúcimi 12 mm až 500 mm, aby sa prispôsobili rôznym požiadavkám na nosenie. Vonkajšia šesťhranná hlava umožňuje zapojenie kľúča alebo zásuvky, zabezpečuje bezpečné utiahnutie v uzavretých priestoroch - kritické na zostavenie strojov, štrukturálnych oceľových spojov alebo automobilových komponentov, kde je prvoradý odpor vibrácií.
Povrchové ošetrenia, ako je horúci galvanizujúci boj proti hrdze vo vonkajších prostrediach (napr. Mosty, prenosové veže), zatiaľ čo povlaky oxidu čierneho oxidu znižujú odraz svetla v presnej optike alebo vojenskom hardvéri. Špeciálne povrchové úpravy, ako je PTFE alebo elektroforetická farba, zvyšujú chemickú odolnosť pri používaní v chemických spracovateľských závodoch alebo morských zariadeniach. Vlastné farebné kódovanie (modrá, červená) pomáha pri riadení zásob alebo bezpečnostných protokoloch, ktoré rozlišujú hodnotenie zaťaženia alebo známky materiálu na mieste. S štandardizovanými toleranciami vlákien a pevnosti v ťahu tieto skrutky spĺňajú špecifikácie ISO a ASTM, čím sa vyrovnávajú nákladovo efektívnosť s výkonom pre priemyselné odvetvia od obnoviteľnej energie po ťažkú výrobu. Ich prispôsobivosť v materiáli, povlaku a veľkosti z nich robí univerzálne riešenie pre inžinierov, ktorí uprednostňujú trvanlivosť, ľahkú inštaláciu a súlad s prísnymi mechanickými normami.


























